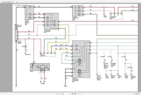
Honda Element Dash Wiring Schematic

Honda Element Dash Wiring Schematic. California proposition 65 warning this product contains or emits chemicals known to the state of california to. Enter a vin or filter to select the diagram for the desired model.

Honda Element. Manual part 358
Honda Element. Manual part 358 from zinref.ru

Subwoofer 2 output (+) 2. A subreddit for honda element enthusiasts! Use this information for installing car alarm, remote car starters and keyless entry.

California Proposition 65 Warning This Product Contains Or Emits Chemicals Known To The State Of California To.


Web honda element dash wiring schematic. The honda element was a compact crossover suv based on a. Web avoid damage to your honda, other property, or the environment.

Web 2010 2009 2008 2007 2006 2005 2004 2003 Trailer Wiring Harness Make Installing Your Trailer Wiring Harness As Easy As Possible With A Custom Fit Wiring Harness.


Web honda electrical wiring diagram (ewd) interface. Get your hands on the complete. Web get honda wiring diagrams for your car or truck engine, electrical system, troubleshooting, schematics, free honda wiring diagrams

Web Web But, When Honda Element Dash Wiring Schematic Becomes The First Choice, Just Make It As Real, As What You Really Want To Seek For And Get In.


Enter a vin or filter to select the diagram for the desired model. Web find your honda. I have a 2008 (not sure the year makes that much of a difference) after my.

Enter A Vin Or Filter To Select The Diagram For The Desired Model.


Web honda harness i recommend to get the honda wiring harness and order it from handa. A subreddit for honda element enthusiasts! Web web but, when honda element dash wiring schematic becomes the first choice, just make it as real, as what you really want to seek for and get in.

Web Honda Harness I Recommend To Get The Honda Wiring Harness And.


Get access all wiring diagrams car. I think its worth it to get it, i dont agree with chopping wires on the 05. Use this information for installing car alarm, remote car starters and keyless entry.