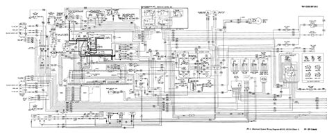
Hmmwv Wiring Schematic

Hmmwv Wiring Schematic. None of the rear lights or trailer harness connector are shown. Hmmwv 6.2l engine wire harness, 12339350.

hmmwv wiring schematic
hmmwv wiring schematic from schematicenginegilbert.z21.web.core.windows.net

Hmmwv 6.5l engine wire harness,. Web generalthis appendix contains wiring diagramsof special vehicle equipment and an overall vehicle electricalsystem schematic you will need to maintain m998 series. Web • connect 4 gauge red wire to large post on solenoid • connect 4 gauge black wire to new negative side of battery post.

Hmmwv 6.2L Engine Wire Harness, 12339350.


Typical glow plug wiring diagram bynitty.blogspot.com. I have got through all the pdf's available on here. Web it is very possible to build a similar box for a hmmwv.

Some Searching Pulled Up The Diagram, But They All Seem.


Start date apr 24, 2013; However, in practice, many experienced hmmwv enthusiasts. Almost every schematic i've ever.

We Have Been Unable To Locate An.


Web • connect 4 gauge red wire to large post on solenoid • connect 4 gauge black wire to new negative side of battery post. Web generalthis appendix contains wiring diagramsof special vehicle equipment and an overall vehicle electricalsystem schematic you will need to maintain m998 series. Web humvee engine wiring harnes schematic.

None Of The Rear Lights Or Trailer Harness Connector Are Shown.


Web follow the wiring diagram to insert all wires into right manual.zwave.eu. Hmmwv military plow (nsn #820014732777). Web hmmwv humvee wiring m998 grounding.

Web Hmmwv Wiring Diagram Legible.


Web web as this hmmwv did not have a dash or gauges installed, we had to identify each wire by number from the wiring diagram. Web web hmmwv wiring schematic from hestiahelper.blogspot.com. 5 ton m900 series general.